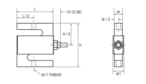
Loadcell SLS410 sử dụng công nghệ Strain Gauge tin cậy, đảm bảo độ ổn định đo lường vượt trội. Ngõ ra có độ nhạy cao, cho phép kết hợp với các bộ chỉ thị cân kinh tế để tạo nên giải pháp tối ưu. Dải tải trọng rộng giúp tối đa hóa tín hiệu, nâng cao hiệu quả cho nhiều ứng dụng khác nhau.
Loadcell METTLER TOLEDO SLS410 có sẵn cả phiên bản ren hệ mét và hệ inch, đáp ứng tiêu chuẩn cơ khí phổ biến. Nhờ đó, SLS410 dễ dàng tích hợp vào hầu hết các hệ thống cân hiện có.
Tùy chọn thêm Module Tension Weigh SWS310 cung cấp giải pháp hoàn chỉnh để tích hợp vào hệ thống cân. Với thiết kế tối ưu, SWS310 đảm bảo hiệu suất cân chính xác và ổn định. Lớp cách ly IC với thanh ren giúp giảm tác động từ dòng điện rò xuống đất, đồng thời bảo vệ loadcell khỏi sét đánh và hư hại do hàn điện.

DataSheet SLS410 Load Cell English (pdf)

Beta Solution - Nhà phân phối chính hãng của Mettler Toledo tại Việt Nam
Chúng tôi cam kết cung cấp sản phẩm chính hãng, đầy đủ CO/CQ, bảo hành tiêu chuẩn toàn cầu, cùng dịch vụ kỹ thuật và hậu mãi chuyên nghiệp.
Tác giả: Admin
Lắp Đặt Hệ Thống Hút Bụi Donaldson Cho Nhà Máy Sơn | Beta Solution
Dịch Vụ Bảo Trì Hệ Thống Chống Nổ REMBE
Tái Chế Pin Lithium: Rủi Ro Cháy Nổ & Giải Pháp An Toàn Nhà Máy
Giải Pháp Chống Nổ Cho Hệ Thống Hút Bụi Công Nghiệp | REMBE & Beta Solution
Giải Pháp Phòng Chống Cháy Nổ Nhà Máy Pin | Explosion Protection BESS
Nổ Hệ Thống Hút Bụi: Nguyên Nhân & Giải Pháp Chống Nổ Hiệu Quả